目次
DS HACX R4
DS HACX R4は、入手のしやすいアナログパワーパックの内部基板を交換することで、簡単なCV読み書きを可能とした簡易型DCCコマンドステーションを自作できるソリューションです。 必要最低限の機能に絞ることで、中・上級者の方が普段使いしやすいようにしています。
本機器は、中級者以上のサポートを受けられる初心者の方、もしくは中級者以上を対象としています。初心者の方が利用される場合は、組み立てにはハードルがあること、理解に知識が必要であることを十分に理解したうえで、ご利用ください。少しでも?な事がある場合には、身近にいらっしゃる知識のある方の協力を得ることや、購入や使用をお控えください。
利用想定対象者
はんだ付けが必要なため、電子工作経験をお持ちの方を対象としています。電子工作経験を持つ、知り合い・ご友人の力を借りて組み上げられる場合には、その限りではありません。
できること
- 1つのDCC車両の運転
- 1つのアナログ車両の運転
- ポイント・信号機の切り替え
- CVの読み出しと書込み(Directモードのみ)
- アドレスの読み書き機能
できないこと
- PCとの接続
- 複数車両の同時運転
- 自動運転
- メルクリンデジタル・mfx・MM2車両の運転
やってはいけないこと
以下の行為を行う可能性がある方は、購入をご遠慮ください。
- パワーパックのメーカーであるK社様に問い合わせやサポートを依頼すること
- 組み立てをDesktopStationに依頼する事。
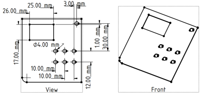
基板情報
結線図・回路図
アートワーク
部品表(BOM)
キットの基板を作るときに使用する部品は以下の通りです。必要な部品は全てキットに付属しています。また、表面実装部品は、全てはんだ付け済みですので、安心してキットを組み立てできます。
| Parts No | Specification | Akizuki | Notes |
|---|---|---|---|
| OLED | I2C OLED,0.96inch,128×64 | P-12031 | |
| OLED PinFrame | 4pin 2.54mm pitch Pin Frame | C-05779 | |
| IC2 | TB6643KQ | I-07688 | |
| IC4 | ATMEGA328P-PU | I-03142 | |
| C7 | 220uF,35V, 35ZLH220MEFCCT8X11.5 | P-11758 | |
| C2,C3 | 47uF,25V,25MH747MEFC6.3×7 | P-10596 | |
| SW1,SW2,SW3,SW4, SW5,SW6,SW7 | Tact Switch H=18mm | ||
| スペーサ,M3ねじ | 15mm程度 | ||
| PCB |
ケースに入れてコマンドステーションとして完成させるために必要なものは以下の通りです。
KATO パワーパック スタンダードSXを使って組み立てる場合
タカチ汎用ケースTW7-4-11シリーズを使って組み立てる場合
ACアダプタ、DCジャック、フィーダ線はDSair2の内容を加味し、ご自分で選定ください。
基板のはんだ付け
最初にピンフレーム、ATMEGA328P-PU、TB6643KQをはんだ付けします。購入いただいたキットに部品は全て付属しておりますが、追加で欲しい場合は以下を参考に、秋月電子で部品を各自で調達してください。
| Parts No | Specification | Akizuki | Notes |
|---|---|---|---|
| OLED | I2C OLED,0.96inch,128×64 | P-12031 | |
| OLED PinFrame | 4pin 2.54mm pitch Pin Frame | C-05779 | |
| IC2 | TB6643KQ | I-07688 | |
| IC4 | ATMEGA328P-PU | I-03142 | |
| C7 | 220uF,35V, 35ZLH220MEFCCT8X11.5 | P-11758 | |
| C2,C3 | 47uF,25V,25MH747MEFC6.3×7 | P-10596 | |
| SW1,SW2,SW3,SW4, SW5,SW6,SW7 | Tact Switch H=18mm | PCBに付属 | |
| スペーサ,M3ねじ | 15mm程度 | ||
| 基板固定ネジ | KATO SXの場合は不要 | ||
| PCB | PCBに付属 |
組み立て
DS HACX R4を試作を参照ください。
以下のケースに対応しています。なお、KATOパワーパック スタンダードSX(22-018)のケースを改造して流用できますが、分解した時点で製品の保証は無くなります。本キットに関連することについて、メーカーへの問い合わせは絶対にしないでください。
- KATO パワーパックSX(22-018)
- タカチ TW7-4-11BまたはTW7-4-11G (汎用プラスティックケース)
ケースにはあらかじめ加工をしてください。刃物を使用するため、けがには十分ご注意ください。
パワーパックSXを加工する場合の3Dプリンタ用型紙は以下の通りです。
基板は背の低い部品から、はんだ付けをしてください。表面実装部品は既にはんだ付け済みです。また付属のATMEGA328Pもファームウェアを書き込み済みです。
部品をはんだ付けすると以下のようになります。
OLEDを取り付けると以下のようになります。
パワーパックSXの配線から移植をすると、以下のようになります。注意点としては、DCジャック配線のはんだ付けです。黒色の線はGND、赤色の線は+12Vのシルクの個所にはんだ付けしてください。間違えると、基板が損傷してしまいますので、ご注意ください。
パワーパックSXに取り付けた様子です。付属のM3ねじ、スペーサー、凸型スペーサを用いて、OLED左上側の基板が沈み込まないように調整してください。
基板を取り付けたら、レバーなどを戻していきます。
これで完成です。
仕様
| 出力電流 | 2.0A 連続運転可能, 瞬時最大4.5Aまで |
| 電圧 | 12Vまたは 15V(KATO製SX用専用ACアダプタに準ずる) |
| 保護機能 | 過電流保護(4.5A超)または過電圧・低電圧保護(8V以下または20V以上でエラー) |
| DCC | SpeedStep128固定, 最大同時運転台数 1車両, F0-F28操作可能 |
| アナログ運転 | PWMパルスによるアナログ車両の運転機能有 |
※保護機能を過信せず、ショートや脱線時はパワーオフを心掛けてください。
使用方法
ボタンは以下のように定義されています。
| Dir | 進行方向の切替 |
|---|---|
| HOME | メニュー呼び出し |
| FNC | ファンクション呼び出し |
| ENTER | 確定・ファンクションON/OFF |
| UP/DOWN | 選択切替、アドレス変更 |
HOMEメニューには、以下の項目が用意されています。
| Loco | 車両の運転 |
|---|---|
| Turnout | ポイント・信号の切り替え |
| LocoAdr | アドレスの読み書きモード、Loco運転モードへのアドレス反映 |
| Read CV | CVの読み出し |
| WriteCV | CVの書込み |
| Analog | PWMアナログパワーパックモード |
ファームウェア
ファームウェアの著作権は放棄されていません。ファームウェアを用いて製品の開発・ビジネス・商業利用を行うには、DesktopStationとライセンス契約が必要です。なお、個人や模型クラブ内で、非営利目的により少量の野良HACXを作る場合には例外的に使用しても構いません。1)
- Firmware 002 July 18,2021 リリース候補
- Firmware 001 May 30,2021 TEST版2(超上級者専用)
- Firmware 000 May 30,2021 TEST版(超上級者専用)
使用ライブラリ
OzOLED LGPL2.1
MCore (DesktopStation内製) 独自ライセンス
頒布
DesktopStation部品頒布で頒布を行っています。KATOパワーパックSXは別途購入ください。
| |
||
| キット | すべての部品のセット | 5980円 |


















