目次
ミント缶DCCコントローラⅣ
Mint can controller for DCC & Marklin digital
ミント缶(ALTOIDS)にぴったり入るDCCコントローラキットをFC2 twaydccショップで頒布しています。
Very small mint can size command station.
概要 / Introduction
- パソコン不要の手動操作 / A PC is unnecessary. Manual operate exclusive use.
- IIC接続でリモート運転も出来る / Remote operation with IIC connection.
- 超小型.ALTOIDSのミント缶にぴったり入るサイズ / Very small mint can size command station.
- DCCとMarklin Motorola1/2に対応 / for DCC and Marklin Motorola1/2.
- ラック出力12V連続1.5A、最大電圧19V / 12V truck output, 1.5A continuous current, 19V maximum voltage.
- ロコアドレス1-50を1-9999に登録可 / The locomotive address 1-50 can be assigned to 1-9999.
- 速度ステップ128 固定.ファンクション Fn,Fxをそれぞれ0-28に割り当て可 / Speed step 128. Functions Fn, Fx can be assigned to 0-28.
- ポイント: / Point DCC:1-2048、MM:1-320.
- OPSモードCV書き込み、統括制御アドレス書き込み / OPS CV write: Consist address write.
- Arduino Proベースで改造自由のオープンソース(シリアル書き込み端子有り) / Arduino Pro based Open Source (with serial write terminal).
写真 / Photos
使い方 / Instruction

ダウンロード
説明書_ミント缶ⅳ-r13_jp.pdf
Download
mintcan-iv_r13_en.pdf
主な用途 / Application
- DCC入門 → アナログパワーパック同等の操作 / for DCC beginner.
- 試運転 → 手間いらずの操作 / test use.
- 小さなレイアウトで動かす → 小型、連続1.5Aまで / use for small layout.
- 子供でも動かす事が出来る / use for children.
- 居酒屋で動かす → 小型軽量、外部バッテリーで駆動 / use in a pub.
- スケッチ改造、部品変更、プラスチックケース組み込みなど / customize base.
必要なもの / The other items
- ACアダプタ、DCCは12V、MMは15Vを推奨します / 12V~19V AC Adapter.
- 線路までの配線、線路、車両 / Feeder wire.
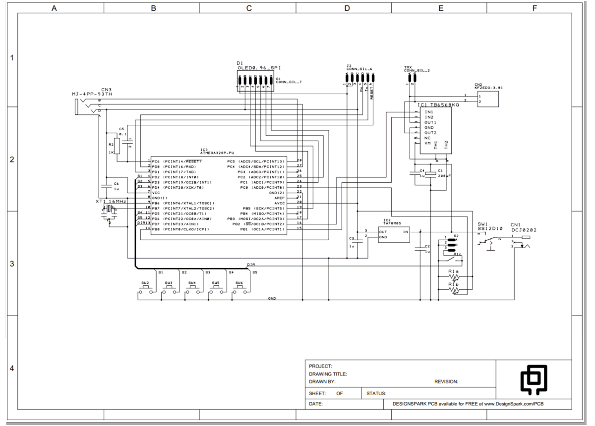
回路図 / Schematics
組立 / Assembly
Arduino - Sketch / スケッチ
| Version | Date | Notes |
|---|---|---|
| 0.01 | June 2018 | pre release |
| 1.3 | Feb. 2019 | suport IIC |
| 1.3b | May 2019 | Improve automatic driving |
download
http://twaydcc.cocolog-nifty.com/top/files/mintcan_ivr13b.zip
スケッチ※(ソフト) 書き変え / Sketch(Software) writing
※Arduinoの組み込みソフトはピアなCプログラムより遥かにシンプルなので、スケッチと呼んでいます。
ミント缶DCCコントローラをArduino Proとみなして、次の手順でスケッチの書き変えが可能です。
1. J2に市販の※USBシリアル変換ボードを接続してください。
2. Arduino IDEの [Tools: / ツール]で下記を選択
・[Tools: / ツール] - [Board: / ボード:] - “Arduino/Genuino Uno”
・[Tools: / ツツール] - [Programmer: / 書き込み装置:] - “USBasp”
3. [Sketch: / スケッチ] - [Upload: / マイコンボードに書き込む]でスケッチ書き込みを実行
※microUSBシリアル変換ボード(CH340G) url
Arduino IDEのインストールや操作方法はネット上にも情報が溢れています。ご自身が分かり易いと感じたサイトを参考にしてください。
スケッチ書き変えは改良のためにリリースしたスケッチのアップデートや、ご自身の改造スケッチの書き込みにご利用ください。但し改造したスケッチはサポート対象外となる事をご承知ください。
サポート
ミント缶についての質問、トラブルなどのサポートはデジタル鉄道模型フォーラムをご利用ください。
twayDCCブログのウェブページにミント缶履歴をアップしました。


